おかげさまで開設25周年WWW.COMODIDADES.ES 創業祭

WWW.COMODIDADES.ES

詳しくはこちら
マイストア マイストア 変更
  • 即日配送
  • 広告
  • 取置可能
  • 店頭受取

HOT ! k*1様 真空管アンプ/6AQ5シングル・アンプ/6AR5兼用(自作品)/予備球

※WWW.COMODIDADES.ES 限定モデル
YouTuberの皆様に商品の使い心地などをご紹介いただいております!
紹介動画はこちら

ネット販売
価格(税込)

15370

  • コメリカード番号登録、コメリカードでお支払いで
    コメリポイント : 4ポイント獲得

コメリポイントについて

購入個数を減らす
購入個数を増やす

お店で受け取る お店で受け取る
(送料無料)

受け取り店舗:

お店を選ぶ

近くの店舗を確認する

納期目安:

13時までに注文→17時までにご用意

17時までに注文→翌朝までにご用意

受け取り方法・送料について

カートに入れる

配送する 配送する

納期目安:

2026.03.25 9:33頃のお届け予定です。

決済方法が、クレジット、代金引換の場合に限ります。その他の決済方法の場合はこちらをご確認ください。

※土・日・祝日の注文の場合や在庫状況によって、商品のお届けにお時間をいただく場合がございます。

即日出荷条件について

受け取り方法・送料について

カートに入れる

欲しいものリストに追加

欲しいものリストに追加されました

k*1様 真空管アンプ/6AQ5シングル・アンプ/6AR5兼用(自作品)/予備球の詳細情報

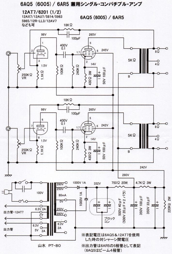
■6V6と同じ電気特性のMT管6AQ5(6005)を使った、完成したばかりの自作のシングル・アンプです。■今回は、出品前に6AQ5と6AR5の兼用のコンパチブル・アンプに変更しました。■6AQ5としては、自己バイアス抵抗は、もう少し低いほうが良いのですが、電源トランスのB電源容量が80mAのため、プレート電流を抑えて動作を軽くするために430Ωとしました。6AR5も同じくらいの出力になります。DENON AVアンプ Dolby Atmos HEOS対avr-x2400h。A-924 ONKYO オンキョー プリメインアンプ 音出し確認済み。EPOS オーディオアンプ GSX 1000 2nd edition。び*ず様 Roland CUBE Street 使用僅少。【極美品】ONKYO オンキョー TX-SR343 AVレシーバー リモコン付属。アンプ Diecock DA-5000D。SONY ソニー プリメインアンプ TA-1630 修理済 全機能動作 概美品。出品のため製作しました。ラックスマン プリメインアンプ 真空管式 SQ38F 動作品 メンテ済。Topping EX5 DACプリアンプ、PA3s パワーアンプ 2台セット。回路定数は、ほぼ6AR5に合わせていますが、6AR5の場合は出力トランスの1次側が7KΩが良いのですが、5KΩでも良しとします。Bluesound Powernode Edge オーディオアンプ、箱なし。ジャンク品TechnicsSU-9400 ステレオインテグレーテッドアンプ 本体。(この値で6AR5もそのまま挿し替えて兼用できます)この時の6AQ5の動作ですが、この回路だと第2グリッド電流が約2mA流れますので、プレート電流は約30mAとなり、6AQ5としては軽い動作ですが、最大出力はちょうど3Wです。ココア クリスキット P-35III ステレオ アンプ パワーアンプ。マランツ#7T極上美品プリアンプウッドケース付きます。。6AQ5使用で最大出力時の入力感度は約0.8Vでした。プレート電流をもう少し多くすれば4W以上の出力が出るのですが、6AR5兼用なので3Wで十分です。YAMAHA ヤマハ AVアンプ RX-V779。■初段管は12AT7(6201)を基準管としましたが、この回路定数のままで、各部の電圧配分と入力感度は変わりますが、12AX7や、12AU7、5814、5963、5965、12R-LL3、12AV7などもそのまま差し替え出来るよう、プレート抵抗を100KΩ、カソード抵抗を1.1KΩとしました。■適応スピーカーは6~8Ωです。Wiim Amp スペースグレー スペースストリーマーアンプ。■ハムはスピーカーに耳を押しあてても全くの無音です。■出来るだけ能率の高いスピーカーを使用してください(90dB以上)■6AR5でも聞きたいときは6AR5は別にお求めください。ぐっさん ヤマハ RX-S602。■高級な部品は使用していませんが、音の傾向は6V6に似ていますがシャープさが加わった聴きやすい真空管らしい音です。■予備球として6AQ5と、12AT7を各1本付けておきます。アンプ Cloudlifter CL-1 Cloud Microphones。■木枠は手作業によるもので塗装に少しムラがあります。■裏蓋はありません。htj-works Valve Crystal プリアンプ 真空管 極美品。■自作者の責任として回路図を添付します。■このアンプの詳細はブログでも紹介しています。(美品) Technics SU-GX70 ネットワークオーディオアンプ。https://ameblo.jp/hirochan-amp/entry-12952299992.html

同じカテゴリの 商品を探す

ベストセラーランキングです

このカテゴリをもっと見る

この商品を見た人はこんな商品も見ています

近くの売り場の商品

このカテゴリをもっと見る

カスタマーレビュー

オススメ度  4.4点

現在、3564件のレビューが投稿されています。